產品優點/特性
■ 在 SUS420/430、不銹鋼、Kovar、Inconel、Hastelloy、純鎳等難削材加工時,實現長工具壽命。
■ 適用於難切削低碳鋼材料。
■ 高剛性設計可防止鑽削難削材時的斷裂。
■ 包含標準刃、長刃等規格。
■ 最小加工刃徑可達φ0.1mm。
■ 全日製一體成形全鎢鋼材質鑽頭,品質保證。
查看ATOM鑽頭可加工材質表
產品說明
岳崴科技自2011年起代理齋藤製作所ATOM旗下產品-鎢鋼鑽頭,除自有應用工程師外,亦有原廠技術支援,遇到特殊加工材,可將工件提供給我們,於原廠加工完成後,再提供完整加工方案,解決客戶來回寄送測試品的困擾。
材質規格
材質為硬質合金,顧名思義,是一種非常堅硬的金屬,由硬質合金碳化物粉末燒結而成。作為特徵,HRA硬度約為90,強度高,楊氏模量約為鐵的3倍,重量約為鐵的2倍。為日本製一體成形全鎢鋼材質鑽頭。
加工用途: ATOM產品廣泛應用於各種領域,包括半導體的探針、汽車工業的注射活塞、電子零件-弱電的連接器軸、纖維的噴嘴、文具中的圓珠筆、模具的沖孔、醫療設備……等。
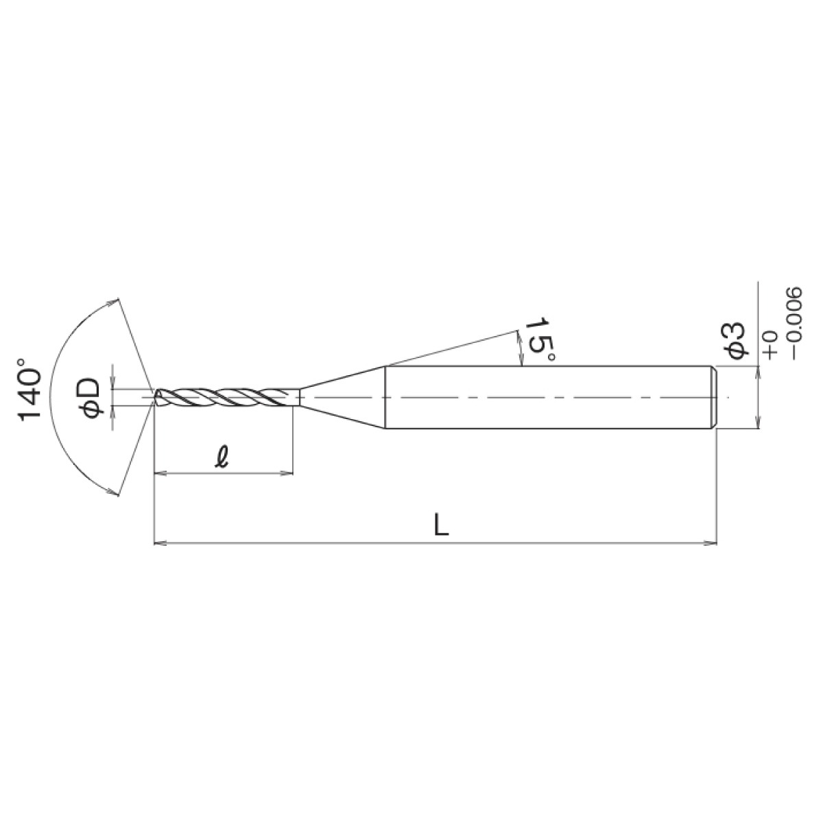
| ADRL-SUS長刃型:柄徑3mm | |||
| 單位:mm | |||
| 規格名稱 | 直徑 | 刃長 | 全長 |
| ADRL-SUS-0010 | 0.1 | 1.5 | 38 |
| ADRL-SUS-0011 | 0.11 | 1.7 | 38 |
| ADRL-SUS-0012 | 0.12 | 1.8 | 38 |
| ADRL-SUS-0013 | 0.13 | 2 | 38 |
| ADRL-SUS-0014 | 0.14 | 2 | 38 |
| ADRL-SUS-0015 | 0.15 | 2.3 | 38 |
| ADRL-SUS-0016 | 0.16 | 2.3 | 38 |
| ADRL-SUS-0017 | 0.17 | 2.3 | 38 |
| ADRL-SUS-0018 | 0.18 | 2.7 | 38 |
| ADRL-SUS-0019 | 0.19 | 2.7 | 38 |
| ADRL-SUS-0020 | 0.2 | 3 | 38 |
| ADRL-SUS-0021 | 0.21 | 3 | 38 |
| ADRL-SUS-0022 | 0.22 | 3 | 38 |
| ADRL-SUS-0023 | 0.23 | 3.5 | 38 |
| ADRL-SUS-0024 | 0.24 | 3.5 | 38 |
| ADRL-SUS-0025 | 0.25 | 3.8 | 38 |
| ADRL-SUS-0026 | 0.26 | 3.8 | 38 |
| ADRL-SUS-0027 | 0.27 | 3.8 | 38 |
| ADRL-SUS-0028 | 0.28 | 4.2 | 38 |
| ADRL-SUS-0029 | 0.29 | 4.2 | 38 |
| ADRL-SUS-0030 | 0.3 | 4.5 | 38 |
| ADRL-SUS-0031 | 0.31 | 4.5 | 38 |
| ADRL-SUS-0032 | 0.32 | 4.5 | 38 |
| ADRL-SUS-0033 | 0.33 | 5 | 38 |
| ADRL-SUS-0034 | 0.34 | 5 | 38 |
| ADRL-SUS-0035 | 0.35 | 5.3 | 38 |
| ADRL-SUS-0036 | 0.36 | 5.3 | 38 |
| ADRL-SUS-0037 | 0.37 | 5.3 | 38 |
| ADRL-SUS-0038 | 0.38 | 5.7 | 38 |
| ADRL-SUS-0039 | 0.39 | 5.7 | 38 |
| ADRL-SUS-0040 | 0.4 | 6 | 38 |
| ADRL-SUS-0041 | 0.41 | 6 | 38 |
| ADRL-SUS-0042 | 0.42 | 6 | 38 |
| ADRL-SUS-0043 | 0.43 | 6 | 38 |
| ADRL-SUS-0044 | 0.44 | 6 | 38 |
| ADRL-SUS-0045 | 0.45 | 7 | 38 |
| ADRL-SUS-0046 | 0.46 | 7 | 38 |
| ADRL-SUS-0047 | 0.47 | 7 | 38 |
| ADRL-SUS-0048 | 0.48 | 7 | 38 |
| ADRL-SUS-0049 | 0.49 | 7 | 38 |
| ADRL-SUS-0050 | 0.5 | 7.5 | 38 |
| ADRL-SUS-0051 | 0.51 | 7.5 | 38 |
| ADRL-SUS-0052 | 0.52 | 7.5 | 38 |
| ADRL-SUS-0053 | 0.53 | 7.5 | 38 |
| ADRL-SUS-0054 | 0.54 | 7.5 | 38 |
| ADRL-SUS-0055 | 0.55 | 8.5 | 38 |
| ADRL-SUS-0056 | 0.56 | 8.5 | 38 |
| ADRL-SUS-0057 | 0.57 | 8.5 | 38 |
| ADRL-SUS-0058 | 0.58 | 8.5 | 38 |
| ADRL-SUS-0059 | 0.59 | 8.5 | 38 |
| ADRL-SUS-0060 | 0.6 | 9 | 38 |
| ADRL-SUS-0061 | 0.61 | 9 | 38 |
| ADRL-SUS-0062 | 0.62 | 9 | 38 |
| ADRL-SUS-0063 | 0.63 | 9 | 38 |
| ADRL-SUS-0064 | 0.64 | 9 | 38 |
| ADRL-SUS-0065 | 0.65 | 10 | 38 |
| ADRL-SUS-0066 | 0.66 | 10 | 38 |
| ADRL-SUS-0067 | 0.67 | 10 | 38 |
| ADRL-SUS-0068 | 0.68 | 10 | 38 |
| ADRL-SUS-0069 | 0.69 | 10 | 38 |
| ADRL-SUS-0070 | 0.7 | 10.5 | 38 |
| ADRL-SUS-0071 | 0.71 | 10.5 | 38 |
| ADRL-SUS-0072 | 0.72 | 10.5 | 38 |
| ADRL-SUS-0073 | 0.73 | 10.5 | 38 |
| ADRL-SUS-0074 | 0.74 | 10.5 | 38 |
| ADRL-SUS-0075 | 0.75 | 11.5 | 38 |
| ADRL-SUS-0076 | 0.76 | 11.5 | 38 |
| ADRL-SUS-0077 | 0.77 | 11.5 | 38 |
| ADRL-SUS-0078 | 0.78 | 11.5 | 38 |
| ADRL-SUS-0079 | 0.79 | 11.5 | 38 |
| ADRL-SUS-0080 | 0.8 | 12.5 | 45 |
| ADRL-SUS-0081 | 0.81 | 12.5 | 45 |
| ADRL-SUS-0082 | 0.82 | 12.5 | 45 |
| ADRL-SUS-0083 | 0.83 | 12.5 | 45 |
| ADRL-SUS-0084 | 0.84 | 12.5 | 45 |
| ADRL-SUS-0085 | 0.85 | 12.5 | 45 |
| ADRL-SUS-0086 | 0.86 | 12.5 | 45 |
| ADRL-SUS-0087 | 0.87 | 12.5 | 45 |
| ADRL-SUS-0088 | 0.88 | 12.5 | 45 |
| ADRL-SUS-0089 | 0.89 | 12.5 | 45 |
| ADRL-SUS-0090 | 0.9 | 14 | 45 |
| ADRL-SUS-0091 | 0.91 | 14 | 45 |
| ADRL-SUS-0092 | 0.92 | 14 | 45 |
| ADRL-SUS-0093 | 0.93 | 14 | 45 |
| ADRL-SUS-0094 | 0.94 | 14 | 45 |
| ADRL-SUS-0095 | 0.95 | 14 | 45 |
| ADRL-SUS-0096 | 0.96 | 14 | 45 |
| ADRL-SUS-0097 | 0.97 | 14 | 45 |
| ADRL-SUS-0098 | 0.98 | 14 | 45 |
| ADRL-SUS-0099 | 0.99 | 14 | 45 |
| ADRL-SUS-0100 | 1 | 15 | 45 |
| ADRL-SUS-0101 | 1.01 | 15 | 45 |
| ADRL-SUS-0102 | 1.02 | 15 | 45 |
| ADRL-SUS-0103 | 1.03 | 15 | 45 |
| ADRL-SUS-0104 | 1.04 | 15 | 45 |
| ADRL-SUS-0105 | 1.05 | 15 | 45 |
| ADRL-SUS-0106 | 1.06 | 15 | 45 |
| ADRL-SUS-0107 | 1.07 | 15 | 45 |
| ADRL-SUS-0108 | 1.08 | 15 | 45 |
| ADRL-SUS-0109 | 1.09 | 15 | 45 |
| ADRL-SUS-0110 | 1.1 | 15 | 45 |
| ADRL-SUS-0111 | 1.11 | 15 | 45 |
| ADRL-SUS-0112 | 1.12 | 15 | 45 |
| ADRL-SUS-0113 | 1.13 | 15 | 45 |
| ADRL-SUS-0114 | 1.14 | 15 | 45 |
| ADRL-SUS-0115 | 1.15 | 15 | 45 |
| ADRL-SUS-0116 | 1.16 | 15 | 45 |
| ADRL-SUS-0117 | 1.17 | 15 | 45 |
| ADRL-SUS-0118 | 1.18 | 15 | 45 |
| ADRL-SUS-0119 | 1.19 | 15 | 45 |
| ADRL-SUS-0120 | 1.2 | 15 | 45 |
| ADRL-SUS-0121 | 1.21 | 15 | 45 |
| ADRL-SUS-0122 | 1.22 | 15 | 45 |
| ADRL-SUS-0123 | 1.23 | 15 | 45 |
| ADRL-SUS-0124 | 1.24 | 15 | 45 |
| ADRL-SUS-0125 | 1.25 | 15 | 45 |
| ADRL-SUS-0126 | 1.26 | 15 | 45 |
| ADRL-SUS-0127 | 1.27 | 15 | 45 |
| ADRL-SUS-0128 | 1.28 | 15 | 45 |
| ADRL-SUS-0129 | 1.29 | 15 | 45 |
| ADRL-SUS-0130 | 1.3 | 17 | 45 |
| ADRL-SUS-0131 | 1.31 | 17 | 45 |
| ADRL-SUS-0132 | 1.32 | 17 | 45 |
| ADRL-SUS-0133 | 1.33 | 17 | 45 |
| ADRL-SUS-0134 | 1.34 | 17 | 45 |
| ADRL-SUS-0135 | 1.35 | 17 | 45 |
| ADRL-SUS-0136 | 1.36 | 17 | 45 |
| ADRL-SUS-0137 | 1.37 | 17 | 45 |
| ADRL-SUS-0138 | 1.38 | 17 | 45 |
| ADRL-SUS-0139 | 1.39 | 17 | 45 |
| ADRL-SUS-0140 | 1.4 | 17 | 45 |
| ADRL-SUS-0141 | 1.41 | 17 | 45 |
| ADRL-SUS-0142 | 1.42 | 17 | 45 |
| ADRL-SUS-0143 | 1.43 | 17 | 45 |
| ADRL-SUS-0144 | 1.44 | 17 | 45 |
| ADRL-SUS-0145 | 1.45 | 17 | 45 |
| ADRL-SUS-0146 | 1.46 | 17 | 45 |
| ADRL-SUS-0147 | 1.47 | 17 | 45 |
| ADRL-SUS-0148 | 1.48 | 17 | 45 |
| ADRL-SUS-0149 | 1.49 | 17 | 45 |
| ADRL-SUS-0150 | 1.5 | 17 | 45 |
| ADRL-SUS-0151 | 1.51 | 17 | 45 |
| ADRL-SUS-0152 | 1.52 | 17 | 45 |
| ADRL-SUS-0153 | 1.53 | 17 | 45 |
| ADRL-SUS-0154 | 1.54 | 17 | 45 |
| ADRL-SUS-0155 | 1.55 | 17 | 45 |
| ADRL-SUS-0156 | 1.56 | 17 | 45 |
| ADRL-SUS-0157 | 1.57 | 17 | 45 |
| ADRL-SUS-0158 | 1.58 | 17 | 45 |
| ADRL-SUS-0159 | 1.59 | 17 | 45 |
| ADRL-SUS-0160 | 1.6 | 20 | 50 |
| ADRL-SUS-0161 | 1.61 | 20 | 50 |
| ADRL-SUS-0162 | 1.62 | 20 | 50 |
| ADRL-SUS-0163 | 1.63 | 20 | 50 |
| ADRL-SUS-0164 | 1.64 | 20 | 50 |
| ADRL-SUS-0165 | 1.65 | 20 | 50 |
| ADRL-SUS-0166 | 1.66 | 20 | 50 |
| ADRL-SUS-0167 | 1.67 | 20 | 50 |
| ADRL-SUS-0168 | 1.68 | 20 | 50 |
| ADRL-SUS-0169 | 1.69 | 20 | 50 |
| ADRL-SUS-0170 | 1.7 | 20 | 50 |
| ADRL-SUS-0171 | 1.71 | 20 | 50 |
| ADRL-SUS-0172 | 1.72 | 20 | 50 |
| ADRL-SUS-0173 | 1.73 | 20 | 50 |
| ADRL-SUS-0174 | 1.74 | 20 | 50 |
| ADRL-SUS-0175 | 1.75 | 20 | 50 |
| ADRL-SUS-0176 | 1.76 | 20 | 50 |
| ADRL-SUS-0177 | 1.77 | 20 | 50 |
| ADRL-SUS-0178 | 1.78 | 20 | 50 |
| ADRL-SUS-0179 | 1.79 | 20 | 50 |
| ADRL-SUS-0180 | 1.8 | 20 | 50 |
| ADRL-SUS-0181 | 1.81 | 20 | 50 |
| ADRL-SUS-0182 | 1.82 | 20 | 50 |
| ADRL-SUS-0183 | 1.83 | 20 | 50 |
| ADRL-SUS-0184 | 1.84 | 20 | 50 |
| ADRL-SUS-0185 | 1.85 | 20 | 50 |
| ADRL-SUS-0186 | 1.86 | 20 | 50 |
| ADRL-SUS-0187 | 1.87 | 20 | 50 |
| ADRL-SUS-0188 | 1.88 | 20 | 50 |
| ADRL-SUS-0189 | 1.89 | 20 | 50 |
| ADRL-SUS-0190 | 1.9 | 20 | 50 |
| ADRL-SUS-0191 | 1.91 | 20 | 50 |
| ADRL-SUS-0192 | 1.92 | 20 | 50 |
| ADRL-SUS-0193 | 1.93 | 20 | 50 |
| ADRL-SUS-0194 | 1.94 | 20 | 50 |
| ADRL-SUS-0195 | 1.95 | 20 | 50 |
| ADRL-SUS-0196 | 1.96 | 20 | 50 |
| ADRL-SUS-0197 | 1.97 | 20 | 50 |
| ADRL-SUS-0198 | 1.98 | 20 | 50 |
| ADRL-SUS-0199 | 1.99 | 20 | 50 |
| ADRL-SUS-0200 | 2 | 20 | 50 |
| ADRL-SUS-0201 | 2.01 | 20 | 50 |
| ADRL-SUS-0202 | 2.02 | 20 | 50 |
| ADRL-SUS-0203 | 2.03 | 20 | 50 |
| ADRL-SUS-0204 | 2.04 | 20 | 50 |
| ADRL-SUS-0205 | 2.05 | 20 | 50 |
| ADRL-SUS-0206 | 2.06 | 20 | 50 |
| ADRL-SUS-0207 | 2.07 | 20 | 50 |
| ADRL-SUS-0208 | 2.08 | 20 | 50 |
| ADRL-SUS-0209 | 2.09 | 20 | 50 |
| ADRL-SUS-0210 | 2.1 | 20 | 50 |
| ADRL-SUS-0211 | 2.11 | 20 | 50 |
| ADRL-SUS-0212 | 2.12 | 20 | 50 |
| ADRL-SUS-0213 | 2.13 | 20 | 50 |
| ADRL-SUS-0214 | 2.14 | 20 | 50 |
| ADRL-SUS-0215 | 2.15 | 20 | 50 |
| ADRL-SUS-0216 | 2.16 | 20 | 50 |
| ADRL-SUS-0217 | 2.17 | 20 | 50 |
| ADRL-SUS-0218 | 2.18 | 20 | 50 |
| ADRL-SUS-0219 | 2.19 | 20 | 50 |
| ADRL-SUS-0220 | 2.2 | 22 | 50 |
| ADRL-SUS-0221 | 2.21 | 22 | 50 |
| ADRL-SUS-0222 | 2.22 | 22 | 50 |
| ADRL-SUS-0223 | 2.23 | 22 | 50 |
| ADRL-SUS-0224 | 2.24 | 22 | 50 |
| ADRL-SUS-0225 | 2.25 | 22 | 50 |
| ADRL-SUS-0226 | 2.26 | 22 | 50 |
| ADRL-SUS-0227 | 2.27 | 22 | 50 |
| ADRL-SUS-0228 | 2.28 | 22 | 50 |
| ADRL-SUS-0229 | 2.29 | 22 | 50 |
| ADRL-SUS-0230 | 2.3 | 22 | 50 |
| ADRL-SUS-0231 | 2.31 | 22 | 50 |
| ADRL-SUS-0232 | 2.32 | 22 | 50 |
| ADRL-SUS-0233 | 2.33 | 22 | 50 |
| ADRL-SUS-0234 | 2.34 | 22 | 50 |
| ADRL-SUS-0235 | 2.35 | 22 | 50 |
| ADRL-SUS-0236 | 2.36 | 22 | 50 |
| ADRL-SUS-0237 | 2.37 | 22 | 50 |
| ADRL-SUS-0238 | 2.38 | 22 | 50 |
| ADRL-SUS-0239 | 2.39 | 22 | 50 |
| ADRL-SUS-0240 | 2.4 | 22 | 50 |
| ADRL-SUS-0241 | 2.41 | 22 | 50 |
| ADRL-SUS-0242 | 2.42 | 22 | 50 |
| ADRL-SUS-0243 | 2.43 | 22 | 50 |
| ADRL-SUS-0244 | 2.44 | 22 | 50 |
| ADRL-SUS-0245 | 2.45 | 22 | 50 |
| ADRL-SUS-0246 | 2.46 | 22 | 50 |
| ADRL-SUS-0247 | 2.47 | 22 | 50 |
| ADRL-SUS-0248 | 2.48 | 22 | 50 |
| ADRL-SUS-0249 | 2.49 | 22 | 50 |
| ADRL-SUS-0250 | 2.5 | 22 | 50 |
| ADRL-SUS-0251 | 2.51 | 22 | 50 |
| ADRL-SUS-0252 | 2.52 | 22 | 50 |
| ADRL-SUS-0253 | 2.53 | 22 | 50 |
| ADRL-SUS-0254 | 2.54 | 22 | 50 |
| ADRL-SUS-0255 | 2.55 | 22 | 50 |
| ADRL-SUS-0256 | 2.56 | 22 | 50 |
| ADRL-SUS-0257 | 2.57 | 22 | 50 |
| ADRL-SUS-0258 | 2.58 | 22 | 50 |
| ADRL-SUS-0259 | 2.59 | 22 | 50 |
| ADRL-SUS-0260 | 2.6 | 22 | 50 |
| ADRL-SUS-0261 | 2.61 | 22 | 50 |
| ADRL-SUS-0262 | 2.62 | 22 | 50 |
| ADRL-SUS-0263 | 2.63 | 22 | 50 |
| ADRL-SUS-0264 | 2.64 | 22 | 50 |
| ADRL-SUS-0265 | 2.65 | 22 | 50 |
| ADRL-SUS-0266 | 2.66 | 22 | 50 |
| ADRL-SUS-0267 | 2.67 | 22 | 50 |
| ADRL-SUS-0268 | 2.68 | 22 | 50 |
| ADRL-SUS-0269 | 2.69 | 22 | 50 |
| ADRL-SUS-0270 | 2.7 | 25 | 60 |
| ADRL-SUS-0271 | 2.71 | 25 | 60 |
| ADRL-SUS-0272 | 2.72 | 25 | 60 |
| ADRL-SUS-0273 | 2.73 | 25 | 60 |
| ADRL-SUS-0274 | 2.74 | 25 | 60 |
| ADRL-SUS-0275 | 2.75 | 25 | 60 |
| ADRL-SUS-0276 | 2.76 | 25 | 60 |
| ADRL-SUS-0277 | 2.77 | 25 | 60 |
| ADRL-SUS-0278 | 2.78 | 25 | 60 |
| ADRL-SUS-0279 | 2.79 | 25 | 60 |
| ADRL-SUS-0280 | 2.8 | 25 | 60 |
| ADRL-SUS-0281 | 2.81 | 25 | 60 |
| ADRL-SUS-0282 | 2.82 | 25 | 60 |
| ADRL-SUS-0283 | 2.83 | 25 | 60 |
| ADRL-SUS-0284 | 2.84 | 25 | 60 |
| ADRL-SUS-0285 | 2.85 | 25 | 60 |
| ADRL-SUS-0286 | 2.86 | 25 | 60 |
| ADRL-SUS-0287 | 2.87 | 25 | 60 |
| ADRL-SUS-0288 | 2.88 | 25 | 60 |
| ADRL-SUS-0289 | 2.89 | 25 | 60 |
| ADRL-SUS-0290 | 2.9 | 25 | 60 |
| ADRL-SUS-0291 | 2.91 | 25 | 60 |
| ADRL-SUS-0292 | 2.92 | 25 | 60 |
| ADRL-SUS-0293 | 2.93 | 25 | 60 |
| ADRL-SUS-0294 | 2.94 | 25 | 60 |
| ADRL-SUS-0295 | 2.95 | 25 | 60 |
| ADRL-SUS-0296 | 2.96 | 25 | 60 |
| ADRL-SUS-0297 | 2.97 | 25 | 60 |
| ADRL-SUS-0298 | 2.98 | 25 | 60 |
| ADRL-SUS-0299 | 2.99 | 25 | 60 |
| ADRL-SUS-0300 | 3 | 25 | 60 |






